![]()  | 
  
				LD52系列 先导膜片电磁阀 | 
		
				![]() ![]()  | 
		
| 产品特点 | 技术参数 | |||
| 
				 适用于控制液体、气体、轻油(≤20CST)等介质,采用先导结构,多品种坚固的模压膜片(主阀密封)、中美合资的优性磁性材质,其性能稳定,可靠性极高,阀体材质为黄铜(热锻),不锈钢SS304、SS316(精密铸造),LD52F系列具有多种形式,您可根据控制需要进行选择。  | 
			介质温度:-5℃~+80℃ | |||
| 工作压力:0.3~12bar | ||||
| 运作方式:先导式 | ||||
| 工作型式:常闭型、常开型 | ||||
| 阀体材质:黄铜、铸铁 | ||||
| 密封材质:丁晴橡胶(NBR常规型) | ||||
| 电气参数 | ||||
| 功能选项 | 线圈参数:AC220V 380V 110V 24V DC24V 12V | |||
| 代号 | 功能选项 | 功能说明 | 铁壳线圈:IP54 F级 | |
| NO | 常闭型 | 通电阀开,断电阀关 | 塑封线圈: | DN10~20mm AC 14VA DC 14W | 
| K | 常开型 | 通电阀关,断电阀开 | DN25~100mm AC 18VA DC 20W | |
| E | 防爆型 | 防爆等级:ExdII BT4 | DN125~200mm AC 20VA DC 28W | |
| T | 定时器 | 可以设定开,关间隙时间 | 铁壳线圈: | DN10~20mm AC 14VA DC 14W | 
| J | 节能模块 | 降低线圈温升和功耗 | DN25~100mm AC 18VA DC 20W | |
| S | 手动 | 手动开关 | DN125~200mm AC 20VA DC 28W | |
| 选配 | 
| *螺纹接口:NPT螺纹,RC螺纹 *配手动功能(S) *工作型式:常闭型、常开型 | 
| *配时间定时控制器 *配LED指示灯接线盒 *可提供工作压力0.3~16bar产品 | 
				  
			 | 
		
| 规格参数表(螺纹连接) | |||||||
| 产品型号 | 接口 | 通径mm | Cv值 | L | H | 工作压力(bar) | |
| 常闭型 | 常开型 | ||||||
| LD5210 | 3/8 | 10 | 3.8 | 80 | 105 | 0.3~12 | 0.3~8 | 
| LD5215 | 1/2 | 15 | 3.8 | 80 | 105 | 0.3~12 | 0.3~8 | 
| LD5220 | 3/4 | 20 | 7 | 87 | 114 | 0.3~2 | 0.3~8 | 
| LD5225 | 1 | 25 | 11 | 107 | 122 | 0.3~12 | 0.3~8 | 
| LD5232 | 11/4 | 32 | 14 | 129 | 131 | 0.3~12 | 0.3~8 | 
| LD5240 | 11/2 | 40 | 24 | 145 | 142 | 0.3~12 | 0.3~8 | 
| LD5250 | 2 | 50 | 35 | 177 | 155 | 0.3~12 | 0.3~8 | 
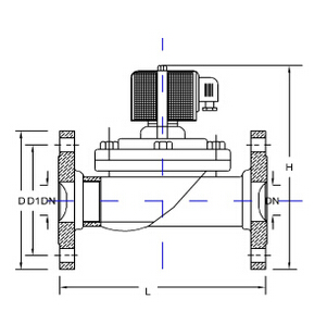
| 规格参数表(法兰连接) | ||||||||||
| 产品型号 | 通径mm | Cv值 | L | H | D | D1 | b | n-d | 工作压力(bar) | |
| 常闭型 | 常开型 | |||||||||
| LD5240F | 40 | 30 | 169 | 196 | 150 | 110 | 3 | 4-Φ18 | 0.3~12 | 0.3~8 | 
| LD5250F | 50 | 48 | 200 | 200 | 165 | 125 | 3 | 4-Φ18 | 0.3~12 | 0.3~8 | 
| LD5265F | 65 | 53 | 260 | 280 | 185 | 145 | 3 | 4-Φ18 | 0.3~12 | 0.3~8 | 
| LD5280F | 80 | 82 | 280 | 287 | 200 | 160 | 3 | 8-Φ18 | 0.3~12 | 0.3~8 | 
| LD52100F | 100 | 128 | 352 | 330 | 220 | 180 | 3 | 8-Φ18 | 0.3~12 | 0.3~8 | 
| LD52125F | 125 | 222 | 430 | 437 | 250 | 210 | 3 | 8-Φ18 | 0.3~12 | 0.3~8 | 
| LD52150F | 150 | 292 | 454 | 460 | 285 | 240 | 3 | 8-Φ22 | 0.3~12 | 0.3~8 | 
| LD52200F | 200 | 513 | 573 | 547 | 340 | 295 | 3 | 12-Φ22 | 0.3~12 | 0.3~8 | 
| LD52250F | 250 | 680 | 730 | 580 | 405 | 350 | 12-Φ22 | 0.3~12 | 0.3~8 | |
| LD52300F | 300 | 950 | 850 | 620 | 460 | 400 | 12-Φ22 | 0.3~12 | 0.3~8 | |
| 优化建议 | 
| *您在设计控制方案时尽量选择常闭型(NC),如电磁阀打开时间较长,关闭时间比较短则选用常开型(NO)。 | 
| *流体中含有杂质,应在阀前安装过滤网(滤网≥60目)。 | 
| *阀体标注方向必须与介质流向一致 | 
| *提供特殊电压的线圈其工作压力可能变化,请务必先与我工厂咨询。 | 
